1、对中的重要性:
延长减速机的使用寿命仅是严格进行轴对中的众多影响中的一个。良好的对中,会减少轴承所受的额外的轴向力和径向力,确保轴承更长的使用寿命,同时在动态运行环境中保证齿轮啮合的稳定性。这些因素都在证明轴对中对于减速机使用的重要性。
对中不好会对减速机内互相配合的部件之间的接触、配合、啮合造成很坏的影响,从而缩短减速机的使用寿命,而且还会导致温度过高,漏油等等恶性后果。
1)降低轴承轴向和径向受力,延长轴承的使用寿命。
2)使转动保持更好的稳定性
3)降低轴由于超过疲劳极限引起缺陷的可能性
4)降低连轴器部件的磨损
5)保证减速机、电机及所驱动设备较低的震动
6)降低轴的挠度

2、对中不好的现象
1)早期的轴承、油封、轴和连轴器的损坏
2)靠近轴承部位的外部温度高
3)油封处漏油
4)在运行中连轴器温度过高或突然停机
5)高于正常状态下的能量损耗
6)连轴器连接螺栓损坏或松动
7)地脚紧固螺栓、垫片或销松动
8)轴向力和径向力增大
9)振动增大

3、对中方法
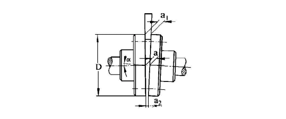
(1) 测量对中轴的角偏差


图中说明用塞尺测量角度偏差(a)的方法。用这种方法只要将联轴器两半体同时转动180度以消除表面误差,然后计算两个差值(a1-a2)的平均值,就可以得到角度偏差的数值。
一起转动180度以消除表面误差,使得千分表的指针在测量表面上无明显的移动,然后计算两个差值(a1-a2)的平均值,就可以得到角度偏差的数值。这种方法假设轴承不允许轴转动时有轴向移动。如果做不到这一点,必须消除联轴器半体端面间的轴向移动。
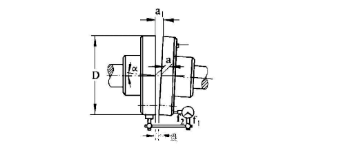
(2) 测量对中轴的轴偏差

图中说明用千分表测量轴偏差的方法。使联轴器两半体同千分表同时转动180度以消除表面误差,千分表指针在测量表面应无显著移动,用千分表指针显示的偏差值除以2,就是轴偏差的数值b。
(3) 要求的对中精度

利用表中所述的安装精度调整轴的对中
(4) 热膨胀对对中结果的影响

单级、两级和三级减速机的运行温度通常为80℃至90℃,这样导致了轴心的上升和轴中心距的扩大。而电机的运行温度是低于减速机的运行温度的。因此在进行轴对中时,要考虑热膨胀的影响,使减速机高速轴和低速轴中心必须比电机轴和从动轴中心要低。
安装时要对热膨胀引起的偏差值进行补偿。补偿值可以参照上表进行。
